陶氏IntegraFlux™超滤膜组件由XP膜丝组成,该膜丝为高透水率、高机械强度的PVDF中空纤维膜丝。IntegraFlux超滤膜组件性能优异,具有业内优秀的膜面积、低能耗和低药耗,并具有以下性能特点:
•高于前代超滤膜组件35%的透水率,较大提高运行效率和产量。
•0.03μm的公称孔径,可有效去除细菌、病毒以及包括胶体在内的颗粒,以保护反渗透(RO)等下游工艺。
陶氏IntegraFlux™超滤膜组件可应用于多种水处理应用领域,包括地表水、海水、工业废水以及市政废水等。
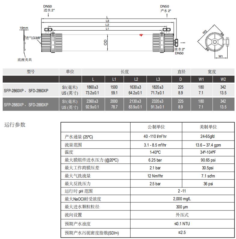
产品规格

监管注意
NSF/ANSI61和419注册饮用水组件在生产饮用水之前要求特定的调试程序。请参考产品技术手册特定程序中的冲洗部分。在一些国家,饮用水组件可能受到额外的监管限制。请在使用以及销售之前核查当地监管指南和应用情况。